|
HOW2POWER EXCLUSIVE DESIGN ARTICLES 
|
Design Of Dual Active Bridge Converters For Electric Vehicles — Evaluating Modulation Schemes And Operating Frequencies
by Silpashree Sahu, Abinash Dash, Dipankar De, Harikrishnan A, and Varri Chandra Sekhar Pavan Kumar, IIT Bhubaneswar, Jatni, India and Alberto Castellazzi, Kyoto University of Advanced Sciences, Kyoto, Japan
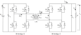
The dual active bridge (DAB) converter is commonly used to interface different voltage levels in hybrid electric vehicle (HEV) and electric vehicle (EV) systems, while enabling bidirectional operation. The control of this power supply topology can be implemented with different modulation methods — single-phase-shift, triple-phase-shift and extended-phase-shift control. The choice of modulation method will affect component selection, converter efficiency and reliability. In this article, the authors present the results of a study comparing DAB converter losses for the three modulation methods and at different switching frequencies, with detailed design steps. This is mainly accomplished through an analysis and simulation of power switch and magnetics losses. This discussion includes an explanation of how the different modulation techniques control switching of the DAB’s two H-bridges, and how to determine the losses. Converter operation and thermal performance are verified experimentally. Read the article…
|
DAB converter operation demonstrates
the impact of modulation method on
converter performance. |
|
By adjusting both the dc and ac
components of the sensed signal, DCR
current sensing compensates for
“nonideal” inductors and their RDCR
values. This allows inductors to be
optimized for size, cost or efficiency. |
Modified DCR Current Sensing Expands Inductor Choices For Peak-Current-Mode Buck Regulators
by David Baba, Texas Instruments, Chandler, Ariz.
Buck regulators that employ output current sensing with internal slope compensation introduce specific considerations for inductor and current-sense resistor selection. At first glance, internal slope compensation may seem to restrict your design choices. With careful design, however, DCR current sensing can provide significant flexibility, even when the inductor selected has a low inductance value and a relatively high DCR. In this article, the author presents a method for designing and tuning a DCR current-sensing network to accurately replicate the inductor current in peak-current-mode buck converters. By matching the RC network’s time constant to the ratio of inductance and its DCR, you can align the sensed waveform with the actual inductor current for both dc scaling and ac ripple attenuation. This enables current-limit control and stable loop operation under different inductor values. Read the article…
|
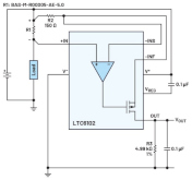
Accurately Measuring High Currents With A Precision Current Sense Amplifier
by Simon Bramble, Analog Devices, Hayes, U.K.
Many digital multimeters can measure up to 10 A with a high degree of precision. However, if higher currents need to be measured, other methods must be used. While it is a simple matter to insert a current sensing resistor in series with the load and measure the voltage drop across it, there is a tradeoff. The voltage across the sense resistor should be small enough to provide the maximum voltage to the load and to minimize the heat dissipation in the resistor, but large enough to enable the voltage to be measured with a high degree of accuracy. An IC described in this article — the LTC6102 — facilitates the measurement of a low voltage across the sense resistor and produces an amplified, ground-referenced output voltage with a high level of accuracy. Read the article…
|
This circuit enables measurement of
currents from amps to hundreds of
amps with high precision. |
|
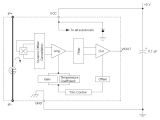
A differential amplifier based on a >85-MHz
bandwidth op amp can be used to build an
average value extractor. Its performance
depends on how well resistors R6-R11 are
matched and the operating frequency range. |
Average Value Extractor Is More Precise Than Low Pass Filters
by Gregory Mirsky, Design Engineer, Deer Park, Ill.
When designing ac current sensors, we use the current’s average value to create a voltage that mitigates the error due to dc offset in the system of integrator and amplifiers. While it’s possible to obtain the average value of an analyzed signal through usage of a low-pass filter, the filter significantly narrows its operating frequency range, which is not always acceptable. However, with an op amp, we can subtract an ac component from a signal composed of this ac component and a dc offset delivered by the high-gain amplifiers employed in the system. In this article, we’ll derive the equations for an average value extractor circuit built from an op amp-based circuit—specifically a differential amplifier. Then we’ll demonstrate how this average value extractor can be used to perform dc stabilization of a Rogowski integrator circuit. Read the article…
|
FOCUS ON MAGNETICS 
Sponsored by Payton Planar Magnetics
A monthly column presenting information on power magnetics design, products, or related technology |
Power Magnetics Component Roundup
by David G. Morrison, Editor, How2Power.com
Transformer product introductions tend to be fewer in number than those for power inductors, as reflected in this latest magnetics news roundup. But there were several interesting transformer announcements in recent months addressing higher voltage requirements, suggesting some of the applications that are growing in the marketplace. For example, a series of gate-drive transformers is pushing working voltages up to 1000 V dc for full-bridge inverter modules in e-mobility and industrial applications. Meanwhile there are pulse transformers targeting the needs of battery management systems (BMSs) in electric vehicles (EVs), industrial battery storage, and portable power applications; and high-isolation transformers for BMSs in energy storage systems, EVs and renewable energy systems. Other notable new components discussed in this feature include space-grade planar transformers, power inductors optimized for VRs that power AI processors and numerous AEC-qualified inductors and chokes targeting automotive as well as consumer and industrial applications.
Read the article…
|
|
 |
 |
 |
|
INDUSTRY EVENT
 |
|
Ceremony Celebrates Opening Of America’s First Multi-User Silicon Carbide Fab
On November 14, University of Arkansas (UA) chancellor Charles Robinson joined industry leaders and U.S. Representative Steve Womack, Arkansas State attorney general Tim Griffin, dean of the College of Engineering Kim Needy, and UA Power Group’s founding director H. Alan Mantooth to unveil MUSiC—the nation’s first multi-user silicon carbide (SiC) fabrication facility, located in Fayetteville, Arkansas. The official opening of the UA Power Group’s MUSiC Fab marked a major milestone in Arkansas’ emergence as a center of excellence in semiconductor and power electronics technology. Read the full story…
|
POWER PRODUCTS  |
Allegro MicroSystems’
ACS37100 current sensor. |
10-MHz TMR Current Sensor Enhances Control Of WBG Power Electronics
Drawing: The XtremeSense tunneling magnetoresistance (TMR) current sensor provides the high-fidelity signal needed to master the power conversion signal chain in EVs, clean energy, and data center designs adopting GaN and SiC FETs.
See the full story…
|
Pickering Interfaces’ 41-754 and
43-754 battery simulators. |
5-A Battery Simulator Module Eases Testing Of 800-V BMSs
Photo: The 41-754 (PXI) and 43-754 (PXIe) are two- or four-channel battery simulators, capable of supplying up to 8 V and 5 A per channel. Their modular design enables faster development and lower total cost of ownership for battery management systems, plus improved safety.
Photo: With 5-A cell simulators, which can simulate up to 16 cells per channel, an 800-V test system fits within an 8-slot PXI chassis.
See the full story…
|
Infineon Technologies’ TLE994x
and TLE995x motor control SoCs. |
System-On-Chip Family For Motor Control Enables Compact And Cost-Efficient Designs
Diagram: The MOTIX microcontrollers with LIN and NFET driver for motor applications include a two-phase device (‘994x) for brushed motors and a three-phase device (‘995x) for brushless dc motors.
See the full story…
|
STMicroelectronics’ TSC240
current-sense amplifier. |
High-Precision Current-Sense Amplifier Operates Over Wide CM Voltage Range
Diagram: The high-precision current sense amplifier with enhanced PWM rejection can sense current via a shunt resistor over a wide range of common-mode voltages, from -4 V to +100 V, regardless of the supply voltage. It is also AEC-Q100 qualified.
See the full story…
|
|






|
INDUSTRY EVENTS  |
|
IEEE Texas Power And Energy Conference (TPEC 2026): A Student-Led Power & Energy Innovation Hub At Texas A&M University
On February 8–10, 2026 in College Station, Texas, the IEEE Texas Power and Energy Conference (TPEC) returns for its 10th anniversary, continuing its mission to highlight emerging talent and practical innovations across the electric power and energy ecosystem. Organized by the IEEE PES–PELS–IAS Joint Student Organization at Texas A&M University, TPEC has grown into a nationally recognized venue for students, researchers, and industry. Read the full story…
|
|
Presentations From The Long Island Power Electronics Symposium Are Online
On November 6, 2025, the IEEE Long Island Power Electronics Symposium & Exhibits held another successful edition of this event. With professionals invited from all sectors of power electronics, the official attendance count at the 2025 symposium was 539, including lecturers, exhibitors and general attendees. The 12 presentations presented this year are now available online. Read the full story…
|
NEW ON HOW2POWER.COM
 |
|
Calendar of Events — Over 100 Listings For 2026
HOW2POWER’s Events Calendar lists selected conferences, tradeshows, workshops and webinars related directly or indirectly to power electronics. Our calendar currently lists over 500 of the electronics industry’s events for 2025 and over 100 listings for next year. Visit this section……
How2Power’s list of space-related conferences and trade shows has been updated for next year.
See 2026 Space Conferences
|
OTHER TOP POWER NEWS
|
|
The Power and Energy Conference at Illinois (PECI 2026), which will take place April 16–17, 2026 at the University of Illinois Urbana-Champaign has issued its call for papers and posters.
Abstract submission is now open for the IEEE Nuclear and Space Radiation Effects Conference (NSREC 2026), which will be held July 20-24, 2026 in Puerto Rico.
PSMA will once again be running a mentoring program for students attending APEC 2026 in San Antonio, TX. You can sign up to be a mentor here.
|
The next RADiation and its Effects on Components and Systems Conference (RADECS 2026) will take place September 28 – October 2, 2026 in Prague, Czech Republic. The call for papers and other conference information is now available.
According to a report by IDTechEx, the global lithium-ion battery market size will exceed U.S. $325 billion by 2036, representing a CAGR of 7.0%.
Vicor’s rad-tolerant, high-current-density dc-dc converter modules have been chosen to power Spacechips’ AI1 transponder, an on-board processor card containing an ACAP AI accelerator.
TechInsights has released its 2026 Power Outlook Report, providing detailed analyses, forecasts and expert perspectives on how the semiconductor market will evolve through 2026.
onsemi and Innoscience have announced plans to collaborate to speed the global rollout of a GaN power portfolio.
ABOUT THIS NEWSLETTER: Thank you for reading HOW2POWER TODAY.
How2Power sends no more than one e-mail per month to registered users. Continuing your subscription ensures you'll receive future newsletters. Manage Your Subscription
©2020 All rights reserved. www.how2power.com
|
|